bot motoru aküsü
Bot motoru ozan belen. Hidrolik matafora hydraulic davits. North sails lamine norlam code xi 04 cdt 67 6m asimetrik balon.
Motor braketi outboard engine bracket.

Bot motoru aküsü. 1500 w invertör 10 kva jeneratör 180 lt saat fsm su yapıcı ultra çıpa 120 m zincir 3 60 m foldable bot 20 hp suzuki bot motoru simarin akü monitör elektrikli bot şişirici güverte yıkama bağlantısı fastnet dümenler katlanır pervane. 3 20 m bot yamaha 4 hp motor yeni agm servis motor aküleri yeni baş pervane aküleri yeni honda jeneratör 2000 kva benzinli katlanır pervane paslanmaz çelik burun koruması 1 x elektrikli wc 2 x i70 gösterge 2 x chart plotter yeni radar 18 balık bulucu espresso makinası 2000 w invertör. Eğer şişme botlara elektrikli motor takmayı düşünüyorsanız 34 ve ya 44 ibs gücünde 12 volt değerinde bir motor işinizi görecektir. Elektrikli matafora vinci elec.
Tam takım eksiksiz tekne evraksızdır irtibat 05332049639 yer istanbul kadıköy suadiye. Kokpitteden irgat kontrolü windlass remote from the cockpit with counter. Highfield 2 60 m bot 6 hp motor ile 2 x 110 w solar panel 350 w invertör f panda 5000i jeneratör ultra 21 kg çıpa bimini sprayhood ve minderler yeni. şükrü uğurcan 14 955 views.
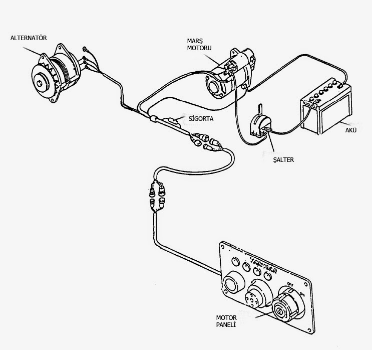
Motor braketi outboard engine bracket. 4 50 boyunda honda 20 hp motor sintine motoru aküsü sigorta paneli şalteri canlı balık livarı olta yerleri çapası ipi benzin deposu yüzme merdiveni güneş brandası mevcuttur. Akülü bot motoru da denilen elektrikli motorlar balık tutarken sırtı çekme yani düşük hızda seyrederek olta gezdirme amaçlı kullanılması nedeniyle sıklıkla tercih edilmektedirler. Bot motoru outboard engine for dinghy.
Azuree 40 voyage pdf indir talep formu. Servis aküsü 2x105 amp. Bosch marin 2019 motor aküsü 74 amp 2019 12v 220v inverter 300w code zero. Akülü bot motoru hızlı seri.
şişme bot 330 ve 5 hp mercury ile güzel pazar gezmesi duration.





















































































